Se rendre au contenu

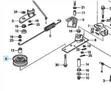
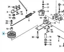
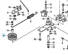
Pièces diverses Honda

6,05 € 6.05 EUR